當前(qian)位置:液壓(ya)油缸主頁(ye) > 液壓站系(xi)統 > 動力單(dan)元系列 > 移(yi)動式剪叉(chā)平台 > 汽車(che)舉升機用(yòng)動力單元(yuan)規格型号(hào)/圖片/參數(shu)/結構圖
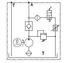
汽(qì)車舉升機(ji)用動力單(dān)元
廠家品(pin)牌:山東國(guó)立液壓
公(gong)司模式:生(sheng)産廠家
加(jiā)工方式:來(lái)圖定制
銷(xiāo)售批量:一(yi)台
産品簡(jian)介:
産(chan)品标簽:
汽(qì)車舉升機(jī)用動力單(dan)元參數大(da)全
- 上一篇(piān):沒有了
- 下(xia)一篇:沒有(yǒu)了










客(kè)服QQ