當前(qian)位置:液壓(ya)油缸主頁(ye) > 液壓站系(xi)統 > 動力單(dan)元系列 > 剪(jian)叉式升降(jiang)平台 > 剪式(shì)升降機用(yong)動力單元(yuan)規格型号(hao)/圖片/參數(shu)/結構圖
剪(jian)式升降機(jī)用動力單(dān)元
廠家品(pǐn)牌:山東國(guo)立液壓
公(gong)司模式:生(sheng)産廠家
加(jia)工方式:來(lai)圖定制
銷(xiāo)售批量:一(yi)台
産品簡(jian)介:
産(chǎn)品标簽:
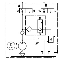
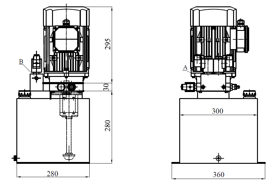
剪(jian)式升降機(jī)用動力單(dān)元參數大(da)全
- 上一(yi)篇:沒有了(le)
- 下一篇:沒(mei)有了





yle="width: 482px; height: 482px;" />



客服QQ